产品介绍 华知科 WT100S-48 多温度记录仪以其多达48路的温度采集能力和广泛的热电偶兼容性(支持K、J、E、T、N、S、R、B型)为卖点,适用于从-200℃到1820℃的精确测量。配备高清5寸工业级液晶触控屏和32位高速MCU,确保数据处理快速准确。此外,仪器支持大容量数据记录和多种输出方式,具备超强抗干扰能力,广泛应用于各行业实验室、质检部门和生产线的温度监测需求。 概述 本多路温度采集器采用32位高速CPU进行数据处理,采用5寸工业显示屏,支持KJETNSRB型热电偶输入,多种显示方式,使用者能更加直观读取各参数,仪器具有完善的功能、性能优越和操作简单的特点,能满足生产、实验室和研发测量的需求。 广泛应用于照明电器、电动工具、家用电器、电机、电热器具医药、石油、化工、冶金、电力等行业及科研单位等领域生产企业的生产线、实验室、质检部门。 按实户需求还能订制各种测量功能,来满足更高的应用。 特点 ▲高清5寸IPS工业级液晶触控屏,分辨率854X480.. ▲采用32位高速MCU数据处理+24位高速AD测量芯片,响应速度快、精度高、稳定可靠。 ▲支持4/8/16/32多 界面实时数值显示. ▲支持多种传感器输入: K JETNSRB ▲通道间电压差可高达AC/DC 350V,超强抗干扰能力. ▲每通道可独立设置过高过低报警值,并具有声光报警功能。 ▲每通道独立误差修正Y=KX+B。 ▲内置8G超大内存,文件列表显示,最大支持64个文件,每个文件13万组数据,1秒间隔可以连续记录长达97天。 ▲记录文件可单选或多选删除和导出,U盘和PC直接导出EXCEL文件. ▲仪器秒变U盘,直接读取记录文件、说明书和软件。. ▲具有通信地址码设置,可以多地多机并机使用,提供通协议。 ▲标配USB通讯接口,可选配RS232或RS485通信接口。 ▲模块化设计,每个模块8通道,最大支持64通道,扩容自动识别。 基本原理
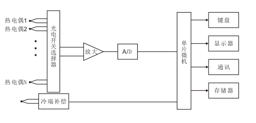
如图所示,仪器由热电偶、光电开关选择器、放大器、A/D、单片微机、键盘、显示器、通讯、数据存储器、冷端补偿等部分组成。 由光电开关选择器选择对应应的通道信号,经过信号放大器进行信号放大,再经过AD转换器进行模拟信号转换成数据信号到单片微机进行数据处理,由冷端补偿电路进行常温测量,得到冷端温度值,测量信号与冷端温度值经单片微机进行数据处理,最后得出正确的测量温度值在显示屏上显示出来。 键盘、通讯、数据存储器可对数据在显示屏上进行设置、存储加以分析。还可以通过通讯接口连接电脑直接由电脑进行数据分析。
系列型号
32路,5寸触控屏显示,每通道独位校正,冷端校正,越限报警,列表数值显示
40路,5寸触控屏显示,每通道独位校正,冷端校正,越限报警,列表数值显示
48路,5寸触控屏显示,每通道独位校正,冷端校正,越限报警,列表数值显示
56路,5寸触控屏显示,每通道独位校正,冷端校正,越限报警,列表数值显示
64路,5寸触控屏显示,每通道独位校正,冷端校正,越限报警,列表数值显示 技术参数
|
相关产品
|






